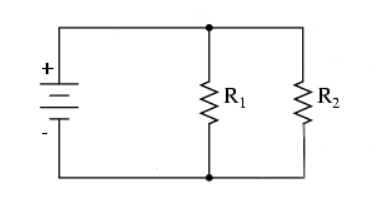
The Resistance of Resistors in Parallel calculator computes the resistance produced by two resistors in parallel.
INSTRUCTIONS: Choose units and enter the following:
Resistance in Parallel (R): The calculator returns the resistance in Ohms (Ω). However, this can be automatically converted to compatible units.
The formula for equivalent Resistance of 2 Resistors in Parallel is:
`R=(1/R_1+1/R_2)^(−1)`
where:
21.8 Series and parallel circuits by Benjamin Crowell, Light and Matter licensed under the Creative Commons Attribution-ShareAlike license.